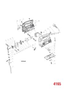
نقشه انفجاری اره عمود بر ۴۱۶۵ رونیکس

نقشه انفجاری اره عمود بر 4165 رونیکس

نقشه انفجاری اره عمود بر ۴۱۶۵ رونیکس

نقشه انفجاری

شما می‌توانید از طریق نقشه انفجاری زیر، به راحتی قطعه مد نظر خود را سفارش دهید.

نقشه انفجاری اره عمود بر 4165 رونیکس
مشتری
@۱۲۵۵۴۶
دستگاه خوبیه
اشتراک گذاری این مطلب

دیدگاهتان را بنویسید

نشانی ایمیل شما منتشر نخواهد شد. بخش‌های موردنیاز علامت‌گذاری شده‌اند *

اینستاگرام ما را نیز دنبال کنید

ما هر روز کلی مطالب آموزشی جالب در اینستاگرام  منتشر می‌کنیم!