16 شهریور نقشه انفجاری نقشه انفجاری مینی فرز کرون CT13008 ارسال توسط رضا قربانزاده 22 آذر, 1404 ۰ نقشه انفجاری مینی فرز کرون CT13008 نقشه انفجاری شما میتوانید از طریق نقشه انفجاری زیر، به راحتی قطعه مد نظر خود را سفارش د... ادامه مطلب
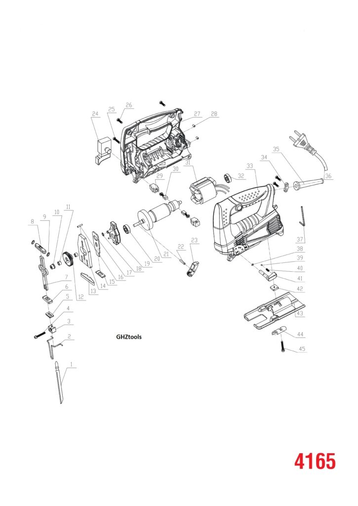
16 شهریور نقشه انفجاری نقشه انفجاری اره عمود بر ۴۱۶۵ رونیکس ارسال توسط رضا قربانزاده 22 آذر, 1404 ۰ نقشه انفجاری اره عمود بر 4165 رونیکس نقشه انفجاری شما میتوانید از طریق نقشه انفجاری زیر، به راحتی قطعه مد نظر خود را سفارش... ادامه مطلب
16 شهریور نقشه انفجاری نقشه انفجاری بتن کن ۱۰۲۸ نک NEk ارسال توسط رضا قربانزاده 22 آذر, 1404 ۰ نقشه انفجاری بتن کن 1028 نک NEk نقشه انفجاری شما میتوانید از طریق نقشه انفجاری زیر، به راحتی قطعه مد نظر خود را سفارش دهید... ادامه مطلب
16 شهریور نقشه انفجاری نقشه انفجاری بتن کن ۱۴۴۰ ان ای سی NEC ارسال توسط رضا قربانزاده 22 آذر, 1404 ۰ نقشه انفجاری بتن کن 1440 ان ای سی NEC نقشه انفجاری شما میتوانید از طریق نقشه انفجاری زیر، به راحتی قطعه مد نظر خود را سفار... ادامه مطلب
16 شهریور نقشه انفجاری نقشه انفجاری شیارزن پوکا ۱۱۰۱ ارسال توسط رضا قربانزاده 22 آذر, 1404 ۰ نقشه انفجاری شیارزن پوکا 1101 نقشه انفجاری شما میتوانید از طریق نقشه انفجاری زیر، به راحتی قطعه مد نظر خود را سفارش دهید. ... ادامه مطلب
26 خرداد نقشه انفجاری, نقشه انفجاری ابزار و آلات کرون نقشه انفجاری مینی فرز Ct 13003 کرون ارسال توسط رضا قربانزاده 22 آذر, 1404 ۰ نقشه انفجاری مینی فرز کرون ct13003 نقشه انفجاری شما میتوانید از طریق نقشه انفجاری زیر، به راحتی قطعه مد نظر خود را سفارش د... ادامه مطلب
20 خرداد نقشه انفجاری, لیزری های توسن نقشه انفجاری بتن کن رونیکس ۲۷۳۰ ارسال توسط رضا قربانزاده 22 آذر, 1404 ۰ نقشه انفجاری بتن کن 2730 رونیکس نقشه انفجاری شما میتوانید از طریق نقشه انفجاری زیر، به راحتی قطعه مد نظر خود را سفارش دهی... ادامه مطلب
23 دی نقشه انفجاری, لیزری های توسن متر لیزری M0100LDM ارسال توسط رضا قربانزاده 22 آذر, 1404 ۰ متر لیزری M0100LDMمشخصات محصولدستگاه های اندازه گیری دقیق برند Tosan ساخت کشور تایوانمتر لیزری درجه یک و با کیفیت برای برد بلند تا 100 ... ادامه مطلب
22 دی نقشه انفجاری, لیزری های توسن متر لیزری M0050LDM ارسال توسط رضا قربانزاده 22 آذر, 1404 ۰ متر لیزری M0050LDMمشخصات محصولمتر لیزری درجه یک برند Tosan ساخت کشور تایوان امکان اندازه گیری فواصل برابر 0.05 تا 50 متر به طور دقیق کی... ادامه مطلب
21 دی نجاری های توسن, نقشه انفجاری اره گرد بر توسن مدل 5119SC ارسال توسط رضا قربانزاده 22 آذر, 1404 ۰ اره گرد بر توسن مدل 5119SCابعاد : ۳۰*۲۰*۱۰ سانتیمتروزن : ۶.۵ کیلوگرمویژگی اره : قابلیت برش با زاویهمنبع تغذیه : برقسرعت حرکت آزاد : 48... ادامه مطلب